
Island Microgrid Energy System
Energy Independence for Island Communities
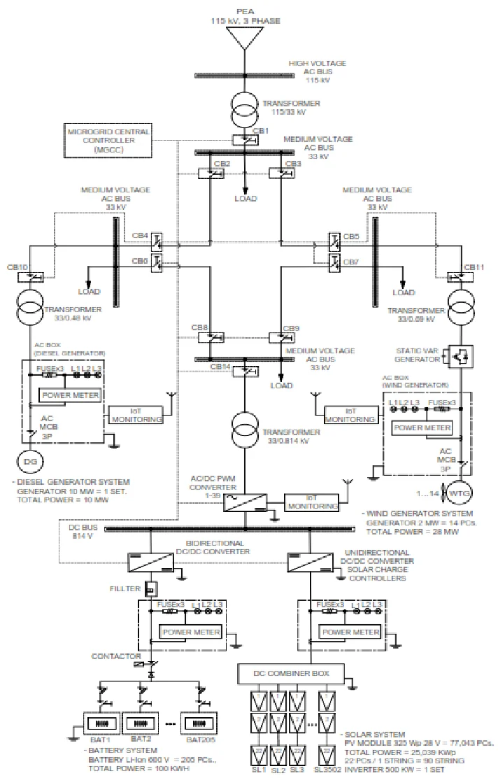
Project Overview
Project Challenges
Solution Architecture
Technical Highlights
Project Results

Previous cases
Remote Industrial Microgrid Project
Next cases
Commercial Microgrid Project









